About Us
 

Company Established in year 2016 in @ 15000 sq. Feet area to manufacturing high precision Bearing Component & Bushes, Inner Ring and Outer Ring up to Ø52mm. And establishment plant production capacity is 14 lacs sets per month with 03 Automatic Turning lines production.
Total 04 directors of the company from the different background of different business.

Name of Directors and background,

Mr. Ashwin Patel, Having 35 years of work experience in the industry of bearing manufacturing, Year 1981 to 1995 working in FAG – Vadodara as Production Manager.  From Year 1997 established own partnership Firm M/S. Sharda Industries in Makerpura GIDC, Vadodara. Manufacturing Different type of bearing, bearing components, precision component parts, bushes, Specialize purpose machineries, quality Inspection equipments.

Mr. Riteshkumar Patel,  Having 16 years of work experience in the industry of Medical device manufacturing Company in Domestic Sales and Marketing, International Sales and Marketing, Production and Quality Inspection, from year 2000 to 2016 working in Medical device manufacturing company called SMIT MEDIMED PVT LTD., Ahmedabad.  Manufacturing of Medical Device like Orthopaedic Implants – Bone Screws , Bone Plates, Intramedillary Nalling System, Spinal and Cervical System (Stainless Steel and Titanium) , Hip Joint System and All type of Surgical Instruments

Mr. Ashishkumar Patel,  having 6 years of work experience in Automation Equipment Trading Business with the name of “MARVEL INSTRUMENTS” At GIDC Estate Makarpura, Vadodara. As well as having partnership firm called Spectra Coats working for powder coating from last 4 years.

Mr. Sanjaykumar Patel, having 16 years experience as Industrial automation solution provider in Textile, Pharmaceuticals, Plastic, packing, water management, cotton industries. With business name J N Automation & controls at GIDC, Makarpura, Vadodara.

Process of Manufacturing
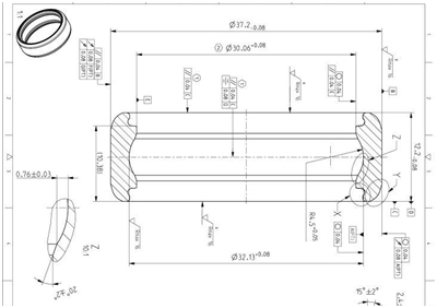
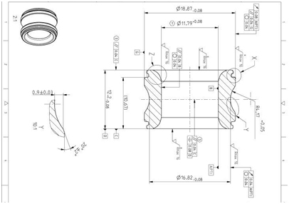
We are pleased to inform you that we are manufacturing all type of baring component inner ring, outer ring.
we have complete manufacturing process for high volume production of bearing components with each process quality inspection, as per product drawing and specification, all types of process formats to check all specification each and every process to maintain quality.

     

Work process: we make work order for manufacturing products, also we have job card with the details of work process, machining and measurement instruction for all product to maintain quality. Also we have in process inspection and final inspection report to check with drawing specification.

Process Flow Chart for all types of bearing component manufacturing as given below
Process Flow CHART:-

Step 1
Accepted Raw material as per standard in form of tube / pipe

Step 2
RM issue against work order for Mfg.

Step 3
Parting and OD Turning as per the product drawing on Automatic Parting and turning machine.

Step 4
In process inspection to check width and OD of the product as per drawings.

Step 5
Face and OD Grinding on Automatic Face and OD grinding machine as per the product drawing.

Step 6
In process inspection to check face and OD in sequence as per drawing.

Step 7
All other production steps of Outer ring, Inner ring like Bore, Track, Radius, Seal Groove, Chamfer etc., as per drawing on Automatic Turning Machine line which comes with 8 nos. of machine in one line all production steps work in same time with all this different machine in line and prodcut moves automaticaly from 1st to last machine and complete the process. With Auto inspecition for operation missing and dimantion inspection with intermediate box (buffer system) for each batch as specified.
So as per all above inspection, its ensure that all induvidule machine process defects will not go to the next machine and complsory regular interval inspection will indicate the process capability and machine capability.

Step 8
Computerized inspection system of Mahr-Germany model no Marsurf XC-2 measuring system and Model no Marsurf M-400 for checking profile of outer od radius, outer track radius, outer seal groove, inner seal groove, inner bore radius and inner track etc.,  and Roughness tester machine to check roughness of Inner bore, outer OD and face of inner and outer.

Step 9
Visual inspection to check material defect, dent mark, cut mark and all other abnormality.

Step 10
Electromagnetic Crack Detector system for 100% components to check crect testing.

Step 11
Washing and oiling

Step 12
Packing and labeling for supply as per customer requirement.

 
Company Infrastructure and Machineries Photos to do all above manufacturing process.
       
                 
       
    Automatic Turning Line Machine with auto process of 8 nos of Machine   Automatic OD grinding Machine   Automatic parting and OD turning machine   Automatic Face Grinding Machine
       
Electromagnetic Crack Detector
  100% VISUAL INSPECTION   Computerized  Inspection Machine   Work Instruction Display    
 

We have establish the system to make quality production in each stage process in Turning Line with Intermediate box and Poka Yoka system to check dimension and missing operation.

We have developed Process Parameter Chart to make quality production in each stage process to do the production in tolerance as per the drawing parameters.

Below image of sample Product Parameter chart for Turning Line, as per this we have developed the chart for all different process and pasted on each process area and trained all operators to follow the chart to do quality production.
 
PRODUCT PERAMETER CHART :-
 
We have also made complete process system with help of below documents to check and control daily production quality, quantity, traceability from Raw material to Supply.
 
ROUTE CARD :-
 
JOB CARD / INPROCESS INSPECTION :-
 
With all above daily production process documents, we fill the data in computer and developed different records of quality reports and production reports to control daily, monthly and yearly quality and production volume.